Montážní deska 88 x 65 x 4 mm pro sloupek 40 x 40 mm, Nerez AISI 304, surový stav
Kód: 81-088X40X4Detailní popis produktu
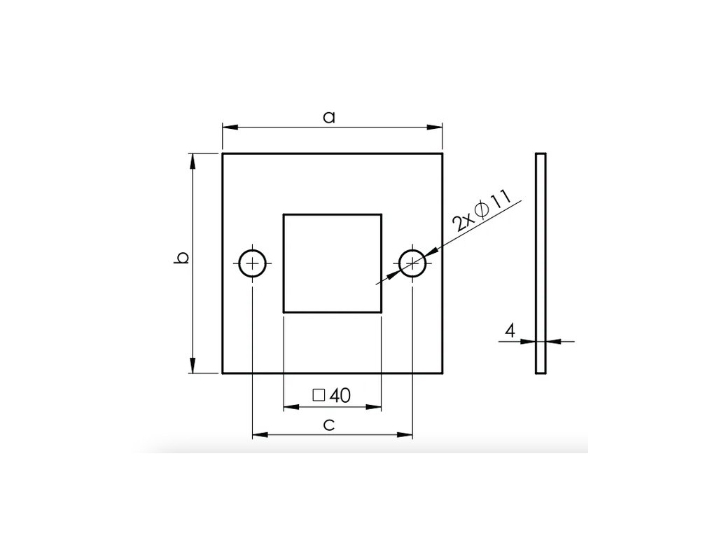
Nerezová čtyřhranná příruba pro horní kotvení sloupků, vyrobená z nerezové oceli AISI 304 v surovém stavu. Příruba je určena pro svařované spojení hranatého sloupku s podkladem a díky dvěma montážním otvorům umožňuje pevné a přesné uchycení. Vhodná jako kompaktní základ pro zábradlí a další konstrukční prvky.
Parametry
-
Materiál: Nerez AISI 304
-
Povrchová úprava: surový stav
-
Použití: kotvení
-
Kotvení: seshora
-
Vnější rozměr příruby (a × b): 88 × 88 mm
-
Rozteč montážních otvorů (c): 65 mm
-
Rozměr otvoru pro sloupek: 40 × 40 mm
-
Počet montážních otvorů: 2 ks
-
Průměr montážních otvorů: Ø 11 mm
-
Tloušťka materiálu: 4 mm
Doplňkové parametry
| Kategorie: | Montážní desky s centrálním otvorem |
|---|---|
| Hmotnost: | 0.177 kg |
Hodnocení produktu
Buďte první, kdo napíše příspěvek k této položce.
Diskuze
Buďte první, kdo napíše příspěvek k této položce.
.png)