Držák madla na zeď se závitem M10, AISI 304, broušený
Kód: 708-42-5Detailní popis produktu
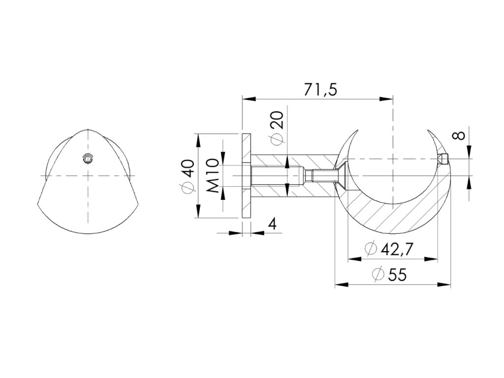
Nerezový držák madla typu C určený pro kotvení na stěnu. Konstrukce držáku zajišťuje pevné a bezpečné uchycení kulatého madla, přičemž otevřený tvar umožňuje snadnou montáž. Vyroben z nerezové oceli AISI 304, která je vhodná pro použití v interiéru i exteriéru. Broušený povrch dodává držáku moderní vzhled a zvyšuje jeho odolnost proti opotřebení.
Parametry
-
Materiál: Nerez AISI 304
-
Povrchová úprava: Brus
-
Kotvení: Na stěnu
-
Typ držáku: C (otevřený držák madla)
-
Celková délka od stěny: 71,5 mm
-
Průměr nosného čepu: Ø20 mm
-
Průměr montážní příruby: Ø40 mm
-
Tloušťka příruby: 4 mm
-
Závit pro kotvení: M10
-
Průměr madla (uložení): Ø42,7 mm
-
Vnější průměr držáku madla: Ø55 mm
-
Tloušťka materiálu v oblasti madla: 8 mm
Doplňkové parametry
| Kategorie: | Držák madla na stěnu typ 0121 - kulaté madlo |
|---|---|
| Hmotnost: | 0.333 kg |
Hodnocení produktu
Buďte první, kdo napíše příspěvek k této položce.
Diskuze
Buďte první, kdo napíše příspěvek k této položce.
.png)